Modellbahn
Mein Sohn und ich hatten im Jahr 2000 eine kleine Modellbahnanlage gebaut.
Seit er auszog war sie über 10 Jahre unbenutzt und seit 2017 versuche ich sie wieder zu aktivieren. Die Hardware war teilweise zu reparieren. Die Software wurde aktualisiert und neu programmiert. In 10 Jahren hatte sich da besonders viel geändert.
Auf Wunsch von Interessenten stelle stelle ich die Anlage hier vor
Trotz wenig vorhandenem Platz wurde eine interessante kleine Anlage möglich.
Die Form der Anlage entwickelte sich aus dem vorhandenen Platz. Das Zimmer war leider zu klein für eine frei stehende Anlage. Als Lösung kam uns die Idee, die Anlage hängend unter die Zimmerdecke, über seinem Bett zu platzieren. Sie konnte an der Wand entlang zur L-Form erweitert werden. Damit der Aufzug der Anlage sicher und leicht bedienbar wurde, verwendeten wir eine elektrische Seilwinde mit Endabschaltung. Zur Gewichtsreduzierung bauten wir einen Holzrahmen mit leichten Styrodurplatten als Boden. Um die Anlage genügend hoch hängen zu können, mein Sohn sollte ja darunter schlafen können, waren nur zwei Ebenen ohne hohe Aufbauten, wie Berge, möglich. Vorhanden war bereits etwas Material in H0, weshalb wir bei dieser Spurweite bleiben wollten. Bei der geringen Anlagenbreite konnten die Gleisstrecken nur eingleisig ausgelegt werden.
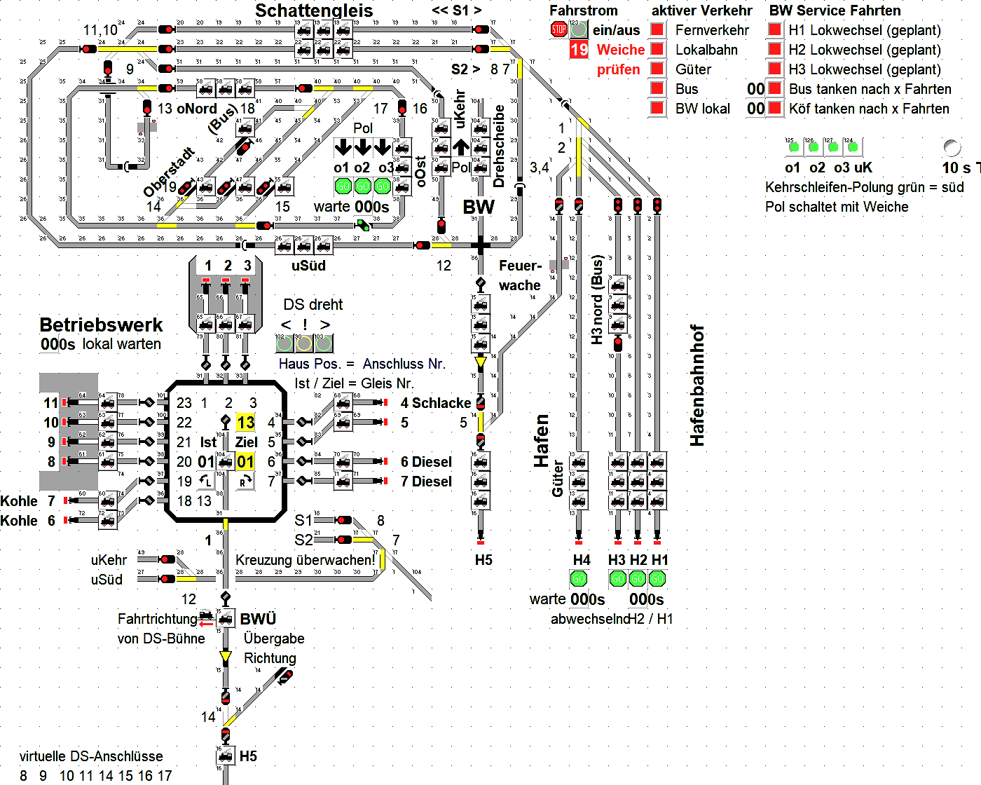
Die Gestaltung der Anlage war bei so wenig Platz schwierig. Die geringe Größe sollte durch technisch und thematisch interessante Gestaltung kompensiert werden. Eine Landschaft würde bei der kleinen Anlage nicht wirken. Daher setzten wir städtebauliche Schwerpunkte auf Bahnhof, Betriebswerk und Hafen mit Verladekran. Eine Feuerwache durfte nicht fehlen, da mein Sohn in der Jugendfeuerwehr war. Das größte Problem war, das Gleiswendel zu tarnen, da kein Berg möglich war. Es wurde zum Stadtgraben einer mittelalterlich befestigten Stadt. In dieser Altstadt sind u. a. das Rathaus von Konstanz/Allmansdorf und das Martinstor aus Freiburg zu erkennen. Der Bahnhof der Oberstadt stammt aus Neuffen.
Das rollende Material musste sich auf kurze Züge mit kurzen Wagen für kleine Gleisradien beschränken. Daher wählten wir die Anfänge der Eisenbahnzeit. Optische Leckerbissen sollten die kleine Anlage auch bei der Zugzusammenstellung aufwerten. So fahren z. B. gelegentlich Museumszüge der ersten Eisenbahnen in Deutschland (Adler) und der Schweiz (Limnat, Spanisch Brötlibahn genannt). Das bayerische Glaskasterl versieht dagegen noch seinen Dienst im Regelbetrieb. Eine Besonderheit ist auch eine Lok mit seitlich angebrachten Zylindern und Kraftübertragung durch Kardanwellen statt Stangen. Diese Lok kann daher sehr enge Kurven befahren und wurde bei Waldbahnen in Amerika eingesetzt. Sie ist auf dieser Seite oben als Symbol mit einem Link zur Bildergalerie zu sehen. Dann ist noch meine Kindheitserinnerung an die Sylter Inselbahn dabei. Der umgebaute Borgward Sattelschlepper fuhr von 1952 bis 1970 durch die Dünen zwischen Hörnum nach List.
Beim technischen Teil der Anlage war es für mich, als Informatiker, klar, dass alles digital per Computer steuerbar werden sollte. Die Anlage ist mit Zwei-Leiter-DCC-Digitaltechnik ausgestattet. Zur Steuerung dient ein Fleischmann Twin-Center, das eine Version der Intellibox ist. Die Computer-Steuerung erfolgt mit dem Programm WIN-DIGIPET. Technische Besonderheiten sind die digitale Steuerung der Roco-Drehscheibe und des Portalkrans. Einige Schaltungen, wie die automatischen Polwendungen der Drehscheibe und der Kehrschleifen, sowie ein Watchdog, der bei Ausfall der PC-Steuerungssignale alle Züge anhält und eine digitale Kurzschluss-Anzeige der betreffenden Blocknummer sind eigene Entwicklungen. Das Digitalmodul zur Drehscheibe kam von einer Firma aus Österreich und wird leider nicht mehr hergestellt. Roco selbst hält es scheinbar nicht für notwendig, ein digitales Steuermodul anzubieten.
Update:
Im November 2024 bin ich umgezogen und konnte die Anlage leider nicht mitnehmen. Zum Glück fand ich in einem Mitglied der „Eisenbahn-Freunde Allensbach“ einen Abnehmer, der die Anlage weiter nutzen und ausbauen möchte.





















